LUVTruck.com

phpBBV3 Message Board
It is currently Sat Mar 21, 2026 10:46 am

All times are UTC - 6 hours




Post new topic Reply to topic  [ 1 post ] 
Author Message
PostPosted: Mon May 04, 2009 11:41 pm 
Offline
LUVTruck.com Regular
User avatar

Joined: Thu Feb 12, 2009 1:00 pm
Posts: 123
Location: Salem, Oregon
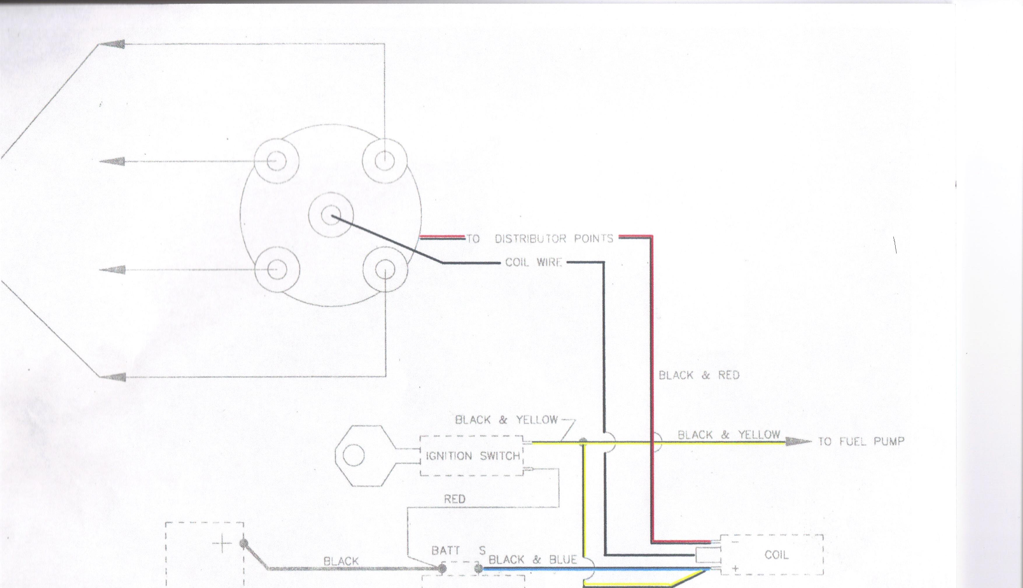
Electronic ignition swap from series 12 LUV to series 8 (1978) LUV

Lets just forget the color coding; lets refer to the wires on the ignitor as numbers.

Wire 1 NEGATIVE SIDE OF COIL
Wire 2 NFC WHAT THAT IS FOR
Wire 3 POSITIVE SIDE OF COIL
Wire 4 RUNS WITH FIVE AND CONNECTS TO DISTRIBUTOR WITH A PLUG
Wire 5 RUNS WITH FOUR AND CONNECTS TO DISTRIBUTOR WITH A PLUG

THERE IS A GROUND WIRE ON TOP OF THE IGNITOR THAT GOES TO THE NEGATIVE SIDE OF BATTERY

The starter wire (typically black and blue) will to to the positive side of the coil
The ignition wire (typically black and yellow) will go to the positive side of the coil

Top photo is after bottom one is before.

Works on my truck, but try at your own risk and good luck.


Attachments:
after.jpg
after.jpg [ 1.11 MiB | Viewed 1738 times ]
b4.jpg
b4.jpg [ 372.09 KiB | Viewed 1737 times ]
Top
 Profile  
Reply with quote  
Display posts from previous:  Sort by  
Post new topic Reply to topic  [ 1 post ] 

All times are UTC - 6 hours


Who is online

Users browsing this forum: No registered users and 15 guests


You cannot post new topics in this forum
You cannot reply to topics in this forum
You cannot edit your posts in this forum
You cannot delete your posts in this forum
You cannot post attachments in this forum

Search for:
Jump to:  
cron
Powered by phpBB® Forum Software © phpBB Group